20W A+C 雙口PD充電器方案
字號:T|T
隨著iPhone 12系列手機的推出以及所有在售iPhone機型均不再附送充電器,引爆了20W PD快充市場,帶動了USB PD快充充電器市場的迅猛發展,各大品牌紛紛入局,深圳市驪微電子科技有限公司專注于電源方案設計開發,產品覆蓋5-300W各類電源產品,順勢推出PN8161SE-U1+PN8307H+XPD730的20W A+C雙口PD充電器方案,以滿足市場需求。
一、方案特性
■ USB-C 口單獨使用 20WPD 輸出 5V3A 9V2.22A 12V1.67A
■ USB- A 口單獨使用 18WQC 輸出 5V3A 9V2A 12V1.5A
■ USB-C+USB- A 同時使用 15W 輸出 5V3A
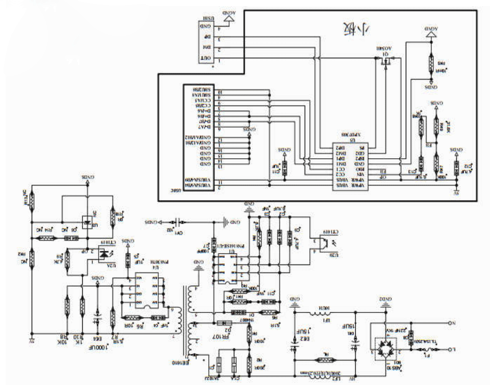
■ 主控芯片PN8161SE-U1+同步整流PN8307H+富滿協議XPD730
■ 整套方案具有成本低,性能穩定,產品體積小,可滿足認證要求。
二、芯片簡介
PWM主控芯片采用PN8161SE-U1,該芯片內部集成了準諧振工作的電流模式控制器和功率MOSFET,專用于高性能、外圍元器件精簡的AC-DC開關電源。該芯片提供了極為全面和性能優異的智能化保護功能,包括輸出過壓保護、逐周期過流保護、過載保護、軟啟動功能。
PN8161SE-U1通過QR-PWM、QR-PFM、Burst-mode的三種模式混合調制技術和特殊器件低功耗結構技術實現了超低的待機功耗、全電壓范圍下的最佳效率。頻率調制技術和SoftDriver技術充分保證良好的EMI表現。
次級同步整流芯片采用PN8307H,內置同步整流控制器及高雪崩能力功率MOSFET,用于在高性能AC/DC反激系統中替代次級整流肖特基二極管,導通壓降極低的功率MOSFET可以提高電流輸出能力,降低溫升,提升轉換效率,使得系統效率可以滿足6級能效的標準,并留有足夠的裕量。
PN8307H內置12mΩ60V耐壓同步整流管,適用3.6V-20V常用適配器輸出,適用于QC3.0適配器及其他固定電壓輸出的適配器。該芯片還集成了極為全面的輔助功能,包含輸出欠壓保護、防誤開啟、最小導通時間等功能,同時外圍元件非常精簡。
USB PD協議芯片采用XPD730,是一款集成 USB Type-C、USB Power Delivery(PD)2.0/3.0 以及 PPS、QC3.0+/QC3.0/QC2.0 快充協議、華為 FCP/SCP/HVSCP 快充協議、三星 AFC 快充協議、BC1.2DCP 以及蘋果設備 2.4A 充電規范的多功能 USB Type-C 和 Type-A 雙端口控制器。具有高集成度和豐富的功能,在應用時僅需極少的外圍器件,有效減小整體方案的尺寸,降低BOM成本。
三、DEMO實物圖

四、方案電路原理圖

五、BOM 清單

六、EMI 測試數據
6.1 EMI傳導測試

6.2 EMI輻射測試

整套方案具有成本低,性能穩定,產品體積小,可滿足認證要求。更多PN8161SE-U1+PN8307H+XPD730的20W A+C雙口PD充電器方案產品手冊、線路圖、BOM、變壓器設計資料、Demo測試數據、芯片應用要點等資料請向驪微電子申請。>>
同類文章排行
- CR5218SC_5V1A適配器方案
- 7個大幅精簡外圍的ac-dc電源管理芯片方案
- 德普微DP2525B原邊反饋電源芯片恒壓恒流5W
- 5v開關電源芯片PN8370M+PN8306M 5V2A六級能
- CR1252+CR3012_12V20A開關電源方案
- 基于PN8390+PN8308M高性能12V2A適配器電源
- PN8000無電感負壓輸出AC-DC非隔離超精簡方
- PN8370_2.4A手機充電器電源芯片方案
- CR6249_12V1.5A電源適配器方案
- 12V3.0A同步整流六級能效電源適配器應用方
阿里巴巴店鋪
關注驪微
收藏驪微

