推薦產品
聯系我們
深圳市驪微電子科技有限公司
電話:0755-23087599
手機:13808858392
郵箱:dunianhua@leweitech.com
地址:深圳市寶安區西鄉鶴洲恒豐工業城B11棟5樓東
XL7016產品描述:
XL7016 是一款高效、高壓降壓型DC-DC轉換器,固定150KHz開關頻率,可提供最高0.5A輸出電流能力,低紋波,出色的線性調整率與負載調整率。XL7016內置固定頻率振蕩器與頻率補償電路,簡化了電路設計。PWM 控制環路可以調節占空比從0~100%之間線性變化。
XL7016產品特點:
12V至90V工作電壓范圍
最大占空比100%
最小壓降0.5V
輸出電壓從1.25V至VIN-2V可調
5V輸出時最大0.5A輸出電流
15V輸出時最大0.3A輸出電流
固定150KHz開關頻率
最大輸出功率小于5W
內置高壓功率MOSFET
效率高達85%
出色的線性與負載調整率
內置限流功能
內置輸出短路保護功能
SOP8-EP封裝
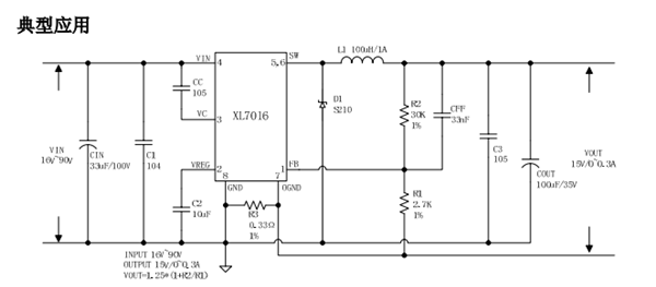
典型應用圖

阿里巴巴店鋪
關注驪微
收藏驪微










