推薦產品
聯系我們
深圳市驪微電子科技有限公司
電話:0755-23087599
手機:13808858392
郵箱:dunianhua@leweitech.com
地址:深圳市寶安區西鄉鶴洲恒豐工業城B11棟5樓東
XL2011產品描述:
XL2011是150千赫頻率固定PWM(降壓)直流/直流轉換器能夠承受2.1A的負載效率、低紋波和優秀的線和負載調整率。固定頻率振蕩器與頻率補償電路,簡化了電路設計。。
XL2011是150千赫頻率固定PWM(降壓)直流/直流轉換器能夠承受2.1A的負載效率、低紋波和優秀的線和負載調整率。固定頻率振蕩器與頻率補償電路,簡化了電路設計。。
XL2011內置輸出過電流保護功能。當短的保護功能發生時芯片將會關閉。內部補償模塊可以減少外圍元器件數量。
XL2011產品特點:
寬8 v -45 v輸入電壓范圍。
固定5 v輸出電壓。
最大輸出電流2.1A。
固定150 khz切換頻率。
內置功率MOSFET。
效率高92%。
輸出短。
負載調節。
限流功能。
SOP8L封裝。
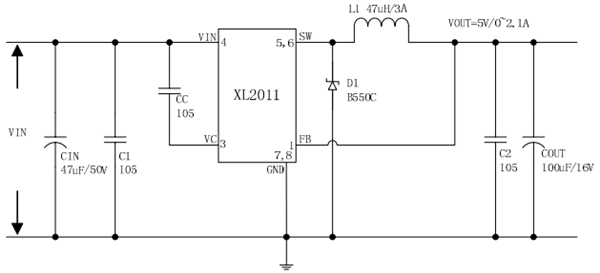
典型應用
yle="width: 600px; height: 273px;" />
典型應用
yle="width: 600px; height: 273px;" />
阿里巴巴店鋪
關注驪微
收藏驪微










