推薦產品
聯系我們
深圳市驪微電子科技有限公司
電話:0755-23087599
傳真:0755-23082933
郵箱:yishanbo@leweitech.com
地址:深圳市寶安區西鄉鶴洲恒豐工業城B11棟5樓東
F5335產品描述:
F5335是單片集成電路提供所有的活性功能降壓CC /簡歷開關式穩壓器開車3負載的能力。9.5 v的輸入電壓范圍寬40 v使F5335適合調節權力從各種各樣的來源包括24 v
F5335是單片集成電路提供所有的活性功能降壓CC /簡歷開關式穩壓器開車3負載的能力。9.5 v的輸入電壓范圍寬40 v使F5335適合調節權力從各種各樣的來源包括24 v
工業用品和汽車電池。活躍的CC是一個專利控制方案實現最高精度傳感器不恒流控制。
F5335提供了一個完整的設計使用最小數量的外部組件。
F5335也建立了可編程軟啟動、輸出過流保護、輸出短路保護、熱停堆和輸出電纜補償功能。
F5335產品特點:
高端電源開關內部140
響了9.5 v ~ 40 v VIN操作
固定200千赫切換頻率
過電流保護
3一個恒定的輸出電流能力
5%準確的輸出電流控制
優秀的線和負載調節
內部可編程軟啟動
輸出短路保護
逐周期電流限制保護
輸出線電壓降補償
內部熱關機(TSD)
SOP8-EP封裝
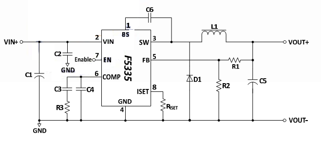
典型應用圖

典型應用圖

阿里巴巴店鋪
關注驪微
收藏驪微










