推薦產品
聯系我們
深圳市驪微電子科技有限公司
電話:0755-23087599
手機:13808858392
郵箱:dunianhua@leweitech.com
地址:深圳市寶安區西鄉鶴洲恒豐工業城B11棟5樓東
F6183產品描述:
F6183 PWM開關頻率是外部可編程可以減少電源的傳導EMI發射。同步的斜坡補償的IC。控制器驅動低門開關設備內置MOSFET因此需要一個非常小的操作能力。由于F6183電流模式控制大大簡化了設計可靠、廉價的離線轉換器與極低的由脈沖聲生成和固有的脈沖控制。軟啟動功能當前設置點低于給定值例如輸出電力需求減少;IC自動進入突發模態在輕負載提供了出色的效率。低成本,高性能方案。
F6183產品特點:
優秀的線和負載調節
極低的沒有−負荷備用電源
恒流模式控制
循環通過輔助循環電流限制
恒功率限制
減少和突發模態頻率
建立在同步斜坡補償
內部前沿消隱
內部輸出短−電路保護
在頻率抖動
無音頻噪聲操作
VDD OVP &夾& UVLO
所有銷浮動保護
內部溫度關機
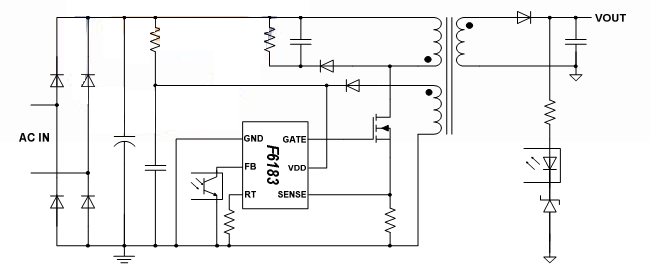
典型應用圖

F6183 PWM開關頻率是外部可編程可以減少電源的傳導EMI發射。同步的斜坡補償的IC。控制器驅動低門開關設備內置MOSFET因此需要一個非常小的操作能力。由于F6183電流模式控制大大簡化了設計可靠、廉價的離線轉換器與極低的由脈沖聲生成和固有的脈沖控制。軟啟動功能當前設置點低于給定值例如輸出電力需求減少;IC自動進入突發模態在輕負載提供了出色的效率。低成本,高性能方案。
F6183產品特點:
優秀的線和負載調節
極低的沒有−負荷備用電源
恒流模式控制
循環通過輔助循環電流限制
恒功率限制
減少和突發模態頻率
建立在同步斜坡補償
內部前沿消隱
內部輸出短−電路保護
在頻率抖動
無音頻噪聲操作
VDD OVP &夾& UVLO
所有銷浮動保護
內部溫度關機
典型應用圖

阿里巴巴店鋪
關注驪微
收藏驪微










