推薦產品
聯系我們
深圳市驪微電子科技有限公司
電話:0755-23087599
手機:13808858392
郵箱:dunianhua@leweitech.com
地址:深圳市寶安區西鄉鶴洲恒豐工業城B11棟5樓東
SDH8302開關電源芯片195~265V典型輸出功率,適配器:10W、開放式:13W;85~265V典型輸出,適配器:5W、開放式:8W,sdh8302可兼容PIN腳代換8012/vip22等,被廣泛應用于離線式開關電源、非隔離升壓降壓轉換器、小家電等領域。
SDH8302 是用于開關電源的內置高壓 MOSFET 的電流模式 PWM 控制器。
SDH8302 內置高壓啟動電路。在輕載下會進入打嗝模式,從而有效地降低系統的待機功耗。具有降頻功能,進一步優化輕載條件下的轉換效率。具有抖頻功能,能夠改善 EMI 特性。具有軟啟動功能,能夠減小器件的應力,防止變壓器飽和。有 VDD 打嗝功能,不僅防止 VDD 欠壓重啟,也有效地降低待機功耗。
SDH8302 內部還集成了各種異常狀態的保護功能,包括:VDD 欠壓保護,VDD 過壓保護,前沿消隱,輸出短路保護,過流保護,過溫保護等。且保護后,電路會不斷自動重啟,直到系統正常為止。
SDH8302芯片主要特點
■ 高壓啟動
■ 輕載打嗝
■ 降頻
■ 抖頻
■ 軟啟動
■ VDD 打嗝
■ VDD 欠壓保護
■ VDD 過壓保護
■ 前沿消隱
■ 輸出短路保護
■ 過流保護
■ 過溫保護
sdh8302引腳功能


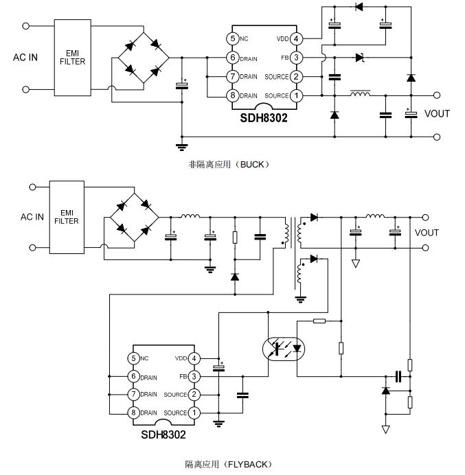
典型應用電路圖

應用領域
■ 離線式開關電源
■ 非隔離升壓降壓轉換器
■ 小家電
SDH8302電磁爐開關電源芯片是電流模式PWM控制器,采用DIP-8封裝,可PIN腳代換AP8012H,SDH8302S采用SOP封裝,可以PIN腳替代VIPER12A/AP8012H ,更多SDH8302相關隔離模式與非隔離模式的應用說明書及sdh8302代換8012,sdh8302代換vip22應用資料,請向士蘭微代理驪微電子申請。>>
阿里巴巴店鋪
關注驪微
收藏驪微










