推薦產品
聯系我們
深圳市驪微電子科技有限公司
電話:0755-23087599
手機:13808858392
郵箱:dunianhua@leweitech.com
地址:深圳市寶安區西鄉鶴洲恒豐工業城B11棟5樓東
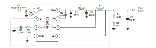
SD45230產品描述:
SD45230是一款微型SOP8封裝、高效率、可調限流的降壓型DC-DC轉換芯片。芯片內部包括誤差放大器、振蕩器、電流比較器、斜坡補償、電流采樣、邏輯驅動等模塊,電流誤差放大器的內部集成,使得該芯片可以實現恒壓恒流控制。峰值電流模式的PWM控制環路以及補償網絡的外部可調,使該芯片可在寬負載范圍內提供穩定的輸出電壓;電流采樣端的引出,通過設定采樣電阻值,可以簡單、精確的實現限流值的外部調節。
導通電阻150mΩ的MOSFET的內部集成,提供了高的轉換效率;內部3.5A的限流值以及短路保護、過溫保護避免了芯片在超負荷負載或者溫度過熱時受到損壞; 120KHz的高頻率以及微型SOP-8封裝,最大限度的減小了整體解決方案的占板面積。
SD45230產品特點:
高達2.1A(SD45230RSA)/2.4A(SD45230RJA)的輸出電流能力
輸入欠壓鎖定
40V的最高工作電壓
120KHZ的開關頻率,降低EMI的抖頻技術
擁有專利技術的恒壓恒流控制
擁有專利技的輸出電壓導線電阻損耗補償
限流可調
過溫保護
纖小型SOP-8/ESOP-8封裝
典型應用圖

典型應用圖

阿里巴巴店鋪
關注驪微
收藏驪微










