推薦產品
聯系我們
深圳市驪微電子科技有限公司
電話:0755-23087599
手機:13808858392
郵箱:dunianhua@leweitech.com
地址:深圳市寶安區西鄉鶴洲恒豐工業城B11棟5樓東
QX2306_電源管理IC QX2306
所屬分類:QX泉芯系列
品牌:QX/泉芯
型號:QX2306
封裝:SOT23-3 SOT23-5 SOT89-3 TO-92
功率:250mA
電流:250mA
型號:QX2306
封裝:SOT23-3 SOT23-5 SOT89-3 TO-92
功率:250mA
電流:250mA
訂購熱線:0755-23087599
QX2306產品描述:
QX2306是一款高效率、低功耗、低紋波、高工作頻率的PFM同步升壓DC/DC變換器。
QX2306僅需要三個外圍元件,就可完成將低輸入的電池電壓變換升壓到所需的工作電壓。
QX2306的輸出電壓,可通過內部調節進行選擇(步進 0.1V),方便客戶應用于不同的輸出負載情況。輸出電壓具有低紋波,低噪聲的特點。
QX2306內置的同步開關管可極大降低開關管上的損耗,使效率最高可達92%,
QX2306工作于 PFM 模式,可有效降低輕載模式下的損耗,提高設備的使用周期。同時,芯片低的靜態電流可進一步降低系統損耗。
QX2306產品特點:
最高效率:92%
最高工作頻率:300 KHz
低靜態電流:13uA
可選輸出電壓:1.9V~3.3V
輸出精度:±2.5%
低啟動電壓:0.65V
低紋波,低噪聲
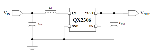
典型應用圖

典型應用圖

阿里巴巴店鋪
關注驪微
收藏驪微









