推薦產品
聯系我們
深圳市驪微電子科技有限公司
電話:0755-23087599
手機:13808858392
郵箱:dunianhua@leweitech.com
地址:深圳市寶安區西鄉鶴洲恒豐工業城B11棟5樓東
PN8306產品描述:
PN8306包括同步整流控制器及N型功率MOSFET,用于在高性能反激系統中替代次級整流肖特基二極管。PN8306同步整流控制ic內置電壓降極低的功率MOSFET以提高電流輸出能力,提升轉換效率并降低芯片溫度。
PN8306處于開關工作模式,只適用于DCM和QR工作模式的開關電源系統。當芯片檢測到V SW <-400mV,控制器驅動功率MOSFET開啟;當芯片檢測到功率MOSFET流過的電流降低到閾值-10mV時,控制器驅動功率MOSFET關閉。該芯片提供了極為全面的輔助功能,包含輸出欠壓保護、輸出過壓鉗位等功能。
PN8306產品特點:
內置13mT86; 40V Trench MOSFET
適用于DCM和QR工作模式
高精度次級電流檢測電路
通過RT腳外置電阻可以靈活設置Tonmin
優異全面的輔助功能
欠壓保護
過壓鉗位
PN8306封裝/ 訂購信息:
PN8306封裝/ 訂購信息:
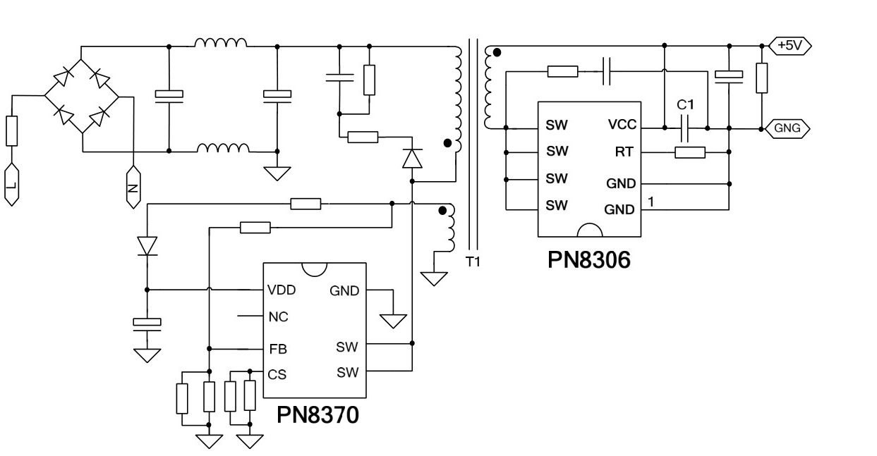
PN8306典型應用圖:
阿里巴巴店鋪
關注驪微
收藏驪微










