推薦產品
聯系我們
深圳市驪微電子科技有限公司
電話:0755-23087599
傳真:0755-23082933
郵箱:yishanbo@leweitech.com
地址:深圳市寶安區西鄉鶴洲恒豐工業城B11棟5樓東
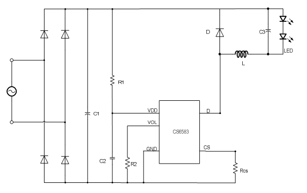
CS6583產品描述:
CS6583是一款單電感非隔離降壓型LED恒流驅動電路,工作在電感電流臨界連續模式下,適用于85Vac-265Vac全電壓輸入范圍 ,電路的工作電流極低,只需要很少的外圍元件,在較大的范圍內,系統的輸出電流與電感量無關,電路具有優異的線性調整率和負載調整率,降壓系統成本。
CS6583產品特點:
單電感非隔離降壓結構
超低工作電流
寬輸入電壓
內部集成500V高壓功率MOSFET
±5%LED輸出電流精度
LED開路\短路保護
CS短路保護
過溫保護功能
封裝形式:SOP8(CS6583BBO、CS6583BO、CS6583CBO、CS6583DBO)
DIP7(CS65L83BP)
典型應用圖

典型應用圖

阿里巴巴店鋪
關注驪微
收藏驪微










